E-mail Bilz(847) 734-9390
E-mail BilzRequest Info
[x]
Name

Phone

E-mail


Print pagePrint page

Quick Change Adapters WE-KP-ANSI

tp_we_din_d.jpgtp_we_din.jpg
coolant.png
Quick Change Adapters WE-KP-ANSI
To add a part to your cart, click the Add to cart icon icon. To request information or a quote click View Cart.
Stock standard In Stock, Non-stock standard Not in stock, Non-stock special Not in stock
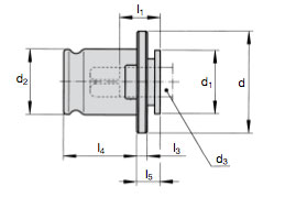
Description d3
 
d d1 d2 ANSI Metric l1 l3 l4 l5 Series P21 Ident No
WE1 KP 1/4" 6.48 4.85 30 19 19 1/4" M6 17 4 21.5 7 1 21184019 6711512
Qty Add
Add to Cart
Stock standard
WE1 KP 5/16" 8.08 6.05 30 19 19 5/16" M8 17 4 21.5 7 1 21184020 6711513
Qty Add
Add to Cart
Stock standard
WE1 KP 3/8" 9.68 7.26 30 19 19 3/8" M10 17 4 21.5 7 1 21184021 6711514
Qty Add
Add to Cart
Stock standard
WE1 KP 7/16" 8.2 6.15 30 19 19 7/16" 17 4 21.5 7 1 21184022 6711515
Qty Add
Add to Cart
Stock standard
WE1 KP 1/2" 9.32 6.99 30 19 19 1/2" M12 17 4 21.5 7 1 21184023 6711516
Qty Add
Add to Cart
Stock standard
WE1 KP 9/16" 10.9 8.18 30 19 19 9/16" M14 17 4 21.5 7 1 21184024 6711517
Qty Add
Add to Cart
Stock standard
WE1 KP #10 4.93 3.86 30 19 19 #10 M5 17 4 21.5 7 1 21184029 6711521
Qty Add
Add to Cart
Stock standard
WE1 KP 1/8" LS 11.11 8.33 30 19 19 1/8" LS pipe 17 4 21.5 7 1 21184030 6711522
Qty Add
Add to Cart
Stock standard
WE1 KP #8 4.27 3.33 30 19 19 #8 M4 17 4 21.5 7 1 21184031 6711523
Qty Add
Add to Cart
Stock standard
WE1 KP #6 3.58 2.79 30 19 19 #6 M3 17 4 21.5 7 1 21184032 6711524
Qty Add
Add to Cart
Stock standard
WE1 KP 1/8" SS 7.94 5.94 30 19 19 1/8" SS pipe 17 4 21.5 7 1 21184035 6711527
Qty Add
Add to Cart
Stock standard
WE1 KP #12 5.59 4.19 30 19 19 #12 17 4 21.5 7 1 21184036 6711528
Qty Add
Add to Cart
Stock standard
WE2 KP 1/2" 9.32 6.99 48 30 31 1/2" M12 30 5 35 11 2 22167418 6715427
Qty Add
Add to Cart
Stock standard
WE2 KP 5/8" 12.19 9.14 48 30 31 5/8" M16 30 5 35 11 2 22167419 6715428
Qty Add
Add to Cart
Stock standard
WE2 KP 3/4" 14.99 11.23 48 30 31 3/4" 30 5 35 11 2 22167420 6715429
Qty Add
Add to Cart
Stock standard
WE2 KP 3/8" 9.68 7.26 48 30 31 3/8" M10 30 5 35 11 2 22167424 6715433
Qty Add
Add to Cart
Stock standard
WE2 KP 9/16" 10.9 8.18 48 30 31 9/16" M14 30 5 35 11 2 22167428 6715434
Qty Add
Add to Cart
Stock standard
WE2 KP 5/16" 8.08 6.05 48 30 31 5/16" M8 30 5 35 11 2 22167430 6715435
Qty Add
Add to Cart
Stock standard
WE2 KP 7/16" 8.2 6.15 48 30 31 7/16" 30 5 35 11 2 22167433 6715436
Qty Add
Add to Cart
Stock standard
WE2 KP 7/8" 17.7 13.28 48 30 31 7/8" M22 30 5 35 11 2 22167434 6715437
Qty Add
Add to Cart
Stock standard
WE2 KP 13/16" 16.56 12.42 48 30 31 13/16" M20 30 5 35 11 2 22167436 6715438
Qty Add
Add to Cart
Stock standard
WE2 KP 11/16" 13.77 10.31 48 30 31 11/16" M18 30 5 35 11 2 22167438 6715439
Qty Add
Add to Cart
Stock standard
WE3 KP 7/8" 17.7 13.28 70 48 48 7/8" M22 44 6 55.5 14 3 23156419 6718607
Qty Add
Add to Cart
Non-stock standard
WE3 KP 1" 20.32 15.24 70 48 48 1" M25 44 6 55.5 14 3 23156420 6718608
Qty Add
Add to Cart
Non-stock standard
WE3 KP 1-3/8" 28.14 21.11 70 48 48 1-3/8" 44 6 55.5 14 3 23156422 6718610
Qty Add
Add to Cart
Non-stock standard
WE3 KP 1-1/8" 22.76 17.07 70 48 48 1-1/8" 44 6 55.5 14 3 23156423 6718611
Qty Add
Add to Cart
Non-stock standard
WE3 KP 1-1/4" 25.93 19.46 70 48 48 1-1/4" 44 6 55.5 14 3 23156424 6718612
Qty Add
Add to Cart
Non-stock standard
WE3 KP 15/16" 19.3 14.48 M24 70 48 15/16" & 3/4" pulley M24 48 44 6 55.5 3 23156429 6718617
Qty Add
Add to Cart
Non-stock standard
WE3 KP 13/16" 16.56 12.42 70 48 48 13/16" M20 44 6 55.5 14 3 23156430 6718618
Qty Add
Add to Cart
Non-stock standard