View Cart: 0
SEARCH
Products
ThermoGrip Tool Holding
ThermoGrip Machines
Standard Chucks
TSF Slim Chucks
TER collets
TSFV Extensions
ThermoGrip Accessories
Tapping
Quick Change Chucks
Quick Change Adapters
SCK Synchro Chucks
SCK Synchro Accessories
Attachments TA
STA Synchro Tap Adapter
Reaming
Drilling
SBK-SEK
Adapters
Chucks
Accessories
MQL
MQL Overview
WFLC-MQL
SCK-MQL
Ratchet Program
Ratchet Overview
Ratchet Type R/RR
Air Couplings
Air Couplings Overview
Air Pressure Valves & Guns
Specialty Tools
HFP Intelligent Tools
Engraving Chuck
Stamping Chucks
Stud Driving Chucks
FormBore System Tools
CNC Tools
Collet Chuck Holders
Hi-Power Milling Chucks
Shell Mill Holders
Side Lock Holders
CNC Blank Bars
CNC Accessories
CNC Drill Chucks
Literature
About Us
Contact
(847) 734-9390
Request Info
[x]
Name
Phone
E-mail
Submit
Print page
Quick Change Adapters WESNER-ANSI
Quick Change Adapters WESNER-ANSI
To add a part to your cart, click the
icon. To request information or a quote click View Cart.
Stock standard
, Non-stock standard
, Non-stock special
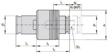
Description
d3
d
d1
d2
Tap
l1
l3
l4
l5
N
Series
P21
Ident No
WESNER1B 1/4" PIPE
14.29
10.69
32
19
19
1/4" pipe
17
25
21.5
34
10
1
21765002
6714523
Qty
Add
© 2026, ALL RIGHTS RESERVED. BILZ TOOL COMPANY, INC.
1140 NORTH MAIN STREET, LOMBARD, IL 60148
1-847-734-9390