View Cart: 0
SEARCH
Products
ThermoGrip Tool Holding
ThermoGrip Machines
Standard Chucks
TSF Slim Chucks
TER collets
TSFV Extensions
ThermoGrip Accessories
Tapping
Quick Change Chucks
Quick Change Adapters
SCK Synchro Chucks
SCK Synchro Accessories
Attachments TA
STA Synchro Tap Adapter
Reaming
Drilling
SBK-SEK
Adapters
Chucks
Accessories
MQL
MQL Overview
WFLC-MQL
SCK-MQL
Ratchet Program
Ratchet Overview
Ratchet Type R/RR
Air Couplings
Air Couplings Overview
Air Pressure Valves & Guns
Specialty Tools
HFP Intelligent Tools
Engraving Chuck
Stamping Chucks
Stud Driving Chucks
FormBore System Tools
CNC Tools
Collet Chuck Holders
Hi-Power Milling Chucks
Shell Mill Holders
Side Lock Holders
CNC Blank Bars
CNC Accessories
CNC Drill Chucks
Literature
About Us
Contact
(847) 734-9390
Request Info
[x]
Name
Phone
E-mail
Submit
Print page
Quick Change Adapters WE ISO
Quick change adapters WE ISO
To add a part to your cart, click the
icon. To request information or a quote click View Cart.
Stock standard
, Non-stock standard
, Non-stock special
Description
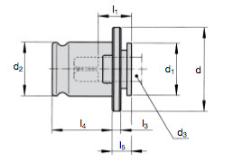
d3
d
d1
d2
Tap
l1
l3
l4
l5
Series
P21
Ident No
WE1 M2 ISO
2.5
2
30
19
19
M2
17
4
21.5
7
1
21100004
6711236
Qty
Add
WE1 M2.5 ISO
2.8
2.24
30
19
19
M2.5
17
4
21.5
7
1
21100007
6711239
Qty
Add
WE1 M3 ISO
3.15
2.5
30
19
19
M3
17
4
21.5
7
1
21100012
6711242
Qty
Add
WE1 M4 ISO
4
3.15
30
19
19
M4
17
4
21.5
7
1
21100023
6711249
Qty
Add
WE1 M6 ISO
4.5
3.55
30
19
19
M4
17
4
21.5
7
1
21100031
6711254
Qty
Add
WE1 M6 ISO
6.3
5
30
19
19
M6
17
4
21.5
7
1
21100061
6711274
Qty
Add
WE1 M8 ISO
8
6.3
30
19
19
M8
17
4
21.5
7
1
21100087
6711288
Qty
Add
WE1 M12 ISO
9
7.1
30
19
19
M12
17
4
21.5
7
1
21100100
6711295
Qty
Add
WE1 M14 ISO
11.2
9
30
19
19
M14
17
4
21.5
7
1
21100125
6711310
Qty
Add
WE2 M12 ISO
9
7.1
48
30
31
M12
30
5
35
11
2
22100032
6715204
Qty
Add
WE2 M16 JIS/ISO
12.5
10
48
30
31
M16
30
5
35
11
2
22100061
6715218
Qty
Add
WE2 M20 ISO
14
11.2
48
30
31
M20
30
5
35
11
2
22100070
6715225
Qty
Add
WE2 M22 ISO
16
12.5
48
30
31
M22
30
5
35
11
2
22100085
6715233
Qty
Add
WE2 M24 ISO
18
14
48
30
31
M24
30
5
35
11
2
22100096
6715241
Qty
Add
WE0 M2 ISO
2.5
2
22
13
13
M2
15
4
19.5
7
0
29100004
6722533
Qty
Add
WE0 M2.5 ISO
2.8
2.24
22
13
13
M2.5
15
4
19.5
7
0
29100008
6722537
Qty
Add
WE0 M3, M4 ISO
3.15
2.5
22
13
13
M3
15
4
19.5
7
0
29100015
6722540
Qty
Add
WE0 M4, M5 ISO
4
3.15
22
13
13
M5
15
4
19.5
7
0
29100037
6722552
Qty
Add
WE0 M5 ISO
5
4
22
13
13
M5
15
4
19.5
7
0
29100054
6722562
Qty
Add
WE0 M6, M8 ISO
6.3
5
22
13
13
M8
15
4
19.5
7
0
29100074
6722572
Qty
Add
© 2026, ALL RIGHTS RESERVED. BILZ TOOL COMPANY, INC.
1140 NORTH MAIN STREET, LOMBARD, IL 60148
1-847-734-9390